Introduction
This document serves as a valuable resource for specifiers, solution partners, and end users engaged in lighting control design activities. Its purpose is to provide a comprehensive overview of the Casambi system, detailing its ecosystem concept, features, and functionalities, as well as illustrating how Casambi can be seamlessly integrated into other systems to enhance overall performance and efficiency.
Wireless Mesh Solution
How does it work?
Casambi is an advanced lighting control solution based on Bluetooth® Low Energy technology.
As the most popular and reliable low-power radio technology found in all modern devices today, Bluetooth® Low Energy serves as the means of communication between a mobile phone or other control device and a Casambi network. Casambi’s technology establishes a specialized mesh network, known as the ‘Casambi Mesh’, tailored especially for lighting controls, facilitating secure, encrypted device-to-device wireless communication within the lighting network.
Casambi technology can be integrated into fixtures, LED drivers, LED modules, switches, sensors and different kinds of control modules creating an optimal solution in terms of ease of installation and functionality with minimal additional hardware and deployment costs. Casambi Ready products, which are manufactured by Casambi partners, are 100% compatible with Casambi’s native products.
Casambi technology provides a mesh network where all the intelligence of the system is replicated in every node and, in such a way, creates a system with no single point of failure.
The Casambi app serves multiple roles in a Casambi lighting control solution: it acts as a user interface, commissioning tool, and remote gateway. It is compatible with both iOS and Android devices and can be downloaded for free from the Google Play Store and Apple App Store.
How Casambi differentiates from other wireless solutions
Wireless lighting control solutions may have different network topologies. Some solutions use routers or gateways for the basic functionality of the networks. The failure of such devices can cause a total system-wide failure or failure of the local devices connected to the specific gateway. Casambi’s self-organizing wireless mesh network with no single points of failure can control a large number of fixtures from any point. It also allows for firmware updates over the network, allowing any kind of changes to be made over-the-air. In this kind of fully distributed and symmetric architecture, any unit can go offline and catch up from others when they return online.

The standardized Bluetooth® Mesh protocol allows manufacturers to develop their own firmware and software implementations for running standard Bluetooth Mesh communication. However, this diversity in implementations can lead to interoperability issues and limitations in adding new features, fixing bugs, or improving system performance. This is why Casambi opted to create the Casambi Mesh – to ensure a unified and compatible ecosystem, promoting seamless connectivity and enabling easier updates and enhancements, ultimately enhancing the user experience.
Interoperability in ecosystem
All ecosystem products (Casambi’s native products and Casambi partners’ products) have the same core which allows seamless communication between all ecosystem products even from different manufacturers.
Interoperability is achieved through every product in the Casambi mesh network operating in the same environment, running on the same Firmware.
This ecosystem architecture enables the Casambi network’s firmware to be easily updated in real-time, over-the-air, allowing for instant feature and performance updates across all devices within a mesh.
Interoperability with other standards
Casambi supports key standards that have a significant market presence. Some of the standards that Casambi devices are compatible with today are:
- DALI (including DT6 and DT8), DALI-2 and D4i
- EnOcean
- NFC for kinetic switches
- 0-10V &1-10V
- PWM controllable LED strips
- Phase cut dimming
- Relay input & output
- DMX
Hardware Overview
Casambi resides at the core of every product within its ecosystem, guaranteeing complete compatibility among all Casambi native and ecosystem products for seamless integration and functionality. Casambi provides two types of products:
Casambi Products
CBM = Casambi Bluetooth Module
This is a chip for integration projects and requires additional electronics design. The current generation CBM-003 enables multiple radio modes and long ranges of up to approximately 200 meters (650 feet) in real-world applications. Based upon Nordic Semiconductor’s nRF52840 SoC, this module offers low energy consumption, great memory for Flash & RAM, and supports the latest Bluetooth® 5. Specification to offer long-range and high throughput modes.
CBU = Casambi Bluetooth Unit
CBUs are multipurpose devices with an embedded chip.
Product | Image | Name | Description |
CBM-003 |
| Casambi Bluetooth Module | CBM-003 contains a powerful 32-bit ARM® Cortex® -M4 CPU and a 2.4 GHz transceiver with an onboard antenna.
|
CBU-ASD-LR |
| Analogue Stand-alone/Sensor DALI – Long Range | CBU-ASD-LR is a wireless control unit for LED drivers with 0-10V, 1-10V or DALI dimming interface. It is possible to configure to support “no voltage” push button or to work with a standard PIR sensor (via smart-switching). |
CBU-TED-LR |
| Trailing Edge Dimmer – Long Range | CBU-TED-LR is a trailing-edge dimmer for operation of incandescent lamps, dimmable LED lamps and dimmable LED control gear. It can also be configured as a sensor unit. |
CBU-PWM4-LR |
| Pulse Width Modulation 4-ch – Long Range | CBU-PWM4-LR is an enabled four channel PWM dimmer for constant voltage LED loads, such as LED strips and constant voltage LED modules. It is connected between a 12-24 VDC power supply and the constant voltage LED load. |
CBU-PWM4-4-LR |
| Pulse Width Modulation 4-ch 4A – Long Range | CBU-PWM4-LR is an enabled four channel PWM dimmer for constant voltage LED loads, such as LED strips and constant voltage LED modules. It is connected between a 12-24 VDC power supply and the constant voltage LED load. |
CBU-DCS-LR |
| DALI Controller Slave – Long Range | CBU-DCS-LR is a Casambi enabled DALI controller. It does not have its own power supply and it is powered directly from a DALI bus. CBU-DCS-LR can be used with a DALI sensor for presence detection or daylight harvesting. CBU-DCS-LR can be configurable as a DALI Gateway. |
CBU-A2D-LR |
| Analogue 2-ch. / 1x DALI – Long Range | CBU-A2D-LR can control one or two 0-10V controllable LED drivers, or it can control a tunable white LED driver with two 0-10V control interfaces. The product can also be configured into a DALI mode where it can be connected to a DALI LED driver or DALI sensor for the presence and/or daylight harvesting functions. CBU-A2D-LR has a universal 100-277 VAC input voltage range. |
Xpress-LR |
| “X” layout switch panel– Long Range | Xpress-LR is a wireless user interface for controlling Casambi enabled luminaires. The four target buttons can control individual luminaires, groups, scenes, animations, and elements. Xpress-LR has buttons for dimming and also up/down buttons that can either control the colour temperature or direct/indirect light ratio adjustment. |
CBU-TDP-LR |
| Trailing-edge Dimming Pack – Long Range | CBU-TDP-LR is a trailing-edge dimmer for incandescent lamps, dimmable LED lamps and dimmable LED control gear. CBU-TDP-LR can control up to 50 W at 120 VAC. It features an overcurrent and over temperature protection. |
CBU-ARP-LR |
| Analogue Relay Powerpack – Long Range | CBU-ARP-LR is designed to control a single 0-10V LED driver. If the LED driver cannot be turned completely off from the 0-10V control interface, CBU-ARP-LR has a built-in 2.0 A relay for cutting the power from the driver. It also has a 12-24 VDC input for a motion sensor. |
Casambi Cloud Gateway |
| Casambi Cloud Gateway | Casambi Cloud Gateway is based on Raspberry Pi hardware and comes with Ethernet and Wi-Fi connections for internet access. It allows receiving data from the Casambi network and controlling it remotely over the internet. The user interface is the Casambi App. Two product variants are available; PSU (CGW-001-PSU) and PoE-enabled (CGW-001-POE). The Power Supply Unit (PSU) version comes with a power adapter that’s suitable for the EU, UK, US, AU and PRC regions. The Power over Ethernet (PoE) version comes with a splitter to separate the power from the data and feed it into a separate input. |
Salvador Series 1000 DALI controllers |
| Salvador 1000 DALI controllers | Salvador Series 1000 DALI controller integrates wired DALI drivers into the Casambi system, with a single unit capable of controlling up to 64 DALI drivers. DALI luminaires, when incorporated, will appear in the Casambi network as virtual luminaires. The Salvador Series 1000 DALI controller requires an external power supply for the DALI bus. |
Salvador Series 2000 DALI controllers |
| Salvador 2000 DALI controllers | Salvador Series 2000 DALI controller integrates wired DALI drivers into the Casambi system, with a single unit capable of controlling up to 64 DALI drivers. DALI luminaires, when incorporated, will appear in the Casambi network as virtual luminaires. The Salvador Series 2000 DALI controller features integrated power supply, internal Real-time clock (RTC) with backup energy storage, and cable strain relief to facilitate a smooth installation process. |
Salvador Series 3000 DALI controllers |
| Salvador 3000 DALI controllers | Salvador Series 3000 DALI controller integrates wired DALI drivers into the Casambi system, with a single unit capable of controlling up to 16 DALI drivers. DALI luminaires, when incorporated, will appear in the Casambi network as virtual luminaires. The Salvador Series 3000 DALI controller comes with integrated 32 mA bus power supply for DALI operations. |
| Salvador Series 4000 DALI controllers | ![]() | Salvador 4000 DALI controllers | Salvador Series 4000 DALI controller integrates wired DALI drivers into the Casambi system, with a single unit capable of controlling up to 64 DALI drivers. DALI luminaires, when incorporated, will appear in the Casambi network as virtual luminaires. The Salvador Series 4000 DALI controller has integrated 130 mA power supply and an internal Real-time clock (RTC). |
CBU-PWM4-4-LR, CBU-TDP-LR, CBU-ARP-LR, Salvador Series 3000 DALI controllers, and Salvador Series 4000 DALI controllers are available exclusively for the US and Canada markets.
Ecosystem Products
The Casambi lighting control system affords Ecosystem Partners the ability to utilize and design their products to be part of the Casambi mesh solution. All devices are endowed with the same Casambi Firmware to ensure compatibility. Suppliers across the globe offer solutions to enhance the Casambi portfolio for indoor, outdoor and architectural use across a wide range of applications. The portfolio is forever expanding. Currently, ecosystem products cover the following areas:
- Luminaires
- Drivers
- Switches
- Sensors
- Broadcast Devices
- Relays
- Blind/Curtain/Roller Controllers
- Lamp/Pole Top Outdoor Controllers
- Air Purification
- Air Quality Monitoring
- Touch Screen Controllers
- Cloud / Ethernet Gateways
- Web-based head-end solutions for system monitoring and control
Firmware
The current firmware is named Evolution, and the latest firmware version can be seen in the Casambi App. It is important that all units in the network have the same firmware version.
Some Casambi enabled devices have unique firmware that is different from the default Casambi firmware version shown in the Casambi App. i.e. their firmware versions differ from other Casambi devices. However, when paired to a network, they communicate normally as part of the mesh. Such devices are:
- Salvador Series
- CBU-DCS-LR with DALI Gateway profile
- Casambi Cloud Gateway
If Salvador Series or CBU-DCS-LR with DALI Gateway profile firmware updates are required, each of these devices must be updated individually using the Casambi app. This is because they cannot transfer any Casambi firmware updates through the mesh.
The Cloud Gateway is not part of the mesh network but is an external device, so the firmware update of other network nodes does not affect it. The Cloud Gateway cannot be updated in the application, but is updated automatically when a new version is available.
Radio Performance
Casambi units use Bluetooth® Low Energy, which is a high-frequency radio signal (2,4GHz), to communicate with control units (ie. Mobile devices).
When creating a network, two communication frequencies are initially set automatically, but they can be manually adjusted to different frequencies if there's a need to avoid specific frequencies. Casambi networks operate on distinct frequency channels to minimize interference with standard Bluetooth.
The effective communication range in real-life scenarios is primarily influenced by the surrounding materials and obstructions near Casambi units, which can attenuate or obstruct radio signals. For instance, a luminaire with a metal casing will have a shorter communication range compared to an identical-looking luminaire constructed from plastic.
Poor placement or material selection may cause problems. This is why careful planning and vigorous testing are required to achieve good performance.
Network Types
Casambi networks do not rely on an internet connection for their regular day-to-day functionality. They operate as stand-alone networks where nodes communicate with each other using the Casambi Mesh protocol. When the Casambi app is used for either commissioning or as an end-user interface, this communication is facilitated through Bluetooth® Low Energy.
In this mode, changes to the network configurations are only possible using the device with which it was originally created, and the network data is not uploaded to the cloud service. For future access to the network, or to use multiple mobile devices to configure and change the network settings, it is always recommended to store a backup of the network in the Casambi Cloud. This can be done using a mobile device that is connected to the Internet. Once the backup is saved, an Internet connection will again not be necessary for the network to operate.

An Internet Gateway can be used if it is required to have remote control over the network, or to interface building management systems or third-party services via the Casambi Cloud API. A smartphone or tablet with the Casambi app (iOS) can also be used as a gateway for system backups or remote control purposes.
The Internet Gateway must be powered, and in Bluetooth® range of the network it is acting as a gateway for.

Alternatively, an Ethernet Gateway from the Casambi Ecosystem can be used to interface other systems or protocols without going to the Cloud, keeping all data inside the premises:

Casambi networks can also interface with third-party systems and protocols via the Casambi DALI Gateway and a third-party DALI Application Controller.

Network Modes
Different network modes can be selected when creating a network. Network modes affect communication speed, range, and recommended device density in the network.
There are 3 network mode options:
- Balanced
- Better performance
- Long range
The long-range mode offers a superior communication range between units for systems where a low amount of network traffic is expected.
More information about network modes can be found in the Casambi Support webpage.
Security
Network accessibility
With Casambi, it is possible to control access rights to the network and to define who interacts with the lights. The mesh network has 4 security levels that can be chosen and modified directly from the app:
Open: Free and open access for anyone without requiring a password. Modifications such as programming changes require an administrator password.
Not shared: Network details are stored only on the device used to create the network. Other devices cannot access the network. It is always recommended to share the network with the cloud. For future access to the network or for using multiple mobile devices to control the network, Casambi recommends that you share the network. In ‘Not shared’ mode if you reset, delete, or reinstall the Casambi app, or lose the mobile device, you will no longer be able to access the network.
Password protected: It is possible to access and control a network with a visitor (user) password, but an admin password is required for programming any changes.
Administrator only: Only administrator(s) can gain access with an administrator e-mail and password, and the network is not automatically discoverable to any devices.
When the network is in ‘Not shared’ mode, there is no cloud communication. When the network is in ‘Administrator only’, ‘Password protected’ or ‘Open’ mode, the Casambi mobile application will send a (backup) copy of the network configuration to the Casambi cloud.
As an additional measure to manage security and the integrity of data, Casambi provides different levels of access for users:
Admin: Has full control of all network aspects.
Manager: Can configure the network (i.e., change programming), but cannot create new user accounts.
User: Can only use the network but cannot make any programming changes.
Up to 10 access tokens can be set for either User, Manager, or Administrator roles.
The minimum password length is 12 characters. A password strength bar is displayed to help assess security. Strong passwords should include a combination of upper and lower letters, numbers, and symbols.
On the network level, other accessible possibilities are also provided:
- Device lock to prevent unpairing (without administrator access).
- Update of firmware can also be disabled to prevent any changes occurring at the firmware level.
- Network configuration can be backed up to the cloud via a mobile phone app.
- The devices of a network can be hidden from other users.
Communication channels and security
Each Casambi network contains 3 main communication channels:
- Communication from unit to unit in the mesh network
- Communication between mobile and unit/mesh network
- Communication between gateway and cloud (only if a cloud connection is required)
Since Casambi has different communication channels and offers a multitude of solutions various encryption algorithms and techniques for securing data are used:
- AES-128: Symmetric encryption cipher.
- AES-CMAC: Message authentication algorithm for data integrity.
- ECDH: Elliptic curve key exchange.
- ECDSA: Elliptic curve digital signature algorithm.
- Full encryption between mobile device and units. New encryption key for each connection, derived with ECDH.
- 10 changeable passwords.
Over-the-air updates allow Casambi to push new security features and software patches out to the entire fleet of installed devices at once.
Cloud security
Casambi services are hosted on the Microsoft Azure cloud platform. Microsoft Azure is a cloud computing platform that provides multi-layered security and unique threat intelligence to help identify and protect against rapidly evolving threats.
Casambi has received ioXt Alliance cybersecurity certification for its system, affirming its ongoing commitment to network security for customers and stakeholders.
Lighting Controls Functionality
The Casambi solution provides all the control options expected from a full-featured professional lighting control solution.

Grouping: Grouping is a method of organizing luminaires. This can make it easier to find the correct luminaires later (especially in a large network). One luminaire can only be part of one group. All grouped luminaires can be synchronously controlled and/or programmed for individual control.
Scenes: A scene can represent a specific dimming level, a combination of dimming level and color, a combination of dimming level and color temperature, or a predefined adjustment of the indirect/direct lighting ratio, depending on the type of luminaire under control. Users can create a maximum of 255 scenes.
Animations: Animations are dynamic scenes in which it is possible for the lighting to fade from one scene into another. Time, duration, and cycles can be set in the app.
Gallery: This feature enables users to customize the user interface by uploading photos of a space or floor plan and then marking the positions of the luminaires within the images. This visual aid facilitates easy identification of the luminaires and intuitive interaction with them.
Light color: It is possible to browse the color spectrum and save favorites in a color palette.
Color temperature: The Casambi app provides a slider for end users to pinpoint a specific color temperature within the range.
Daylight sensor: It is possible to measure the illuminance levels and report lux values back to the network. This way automated lighting scenes can be programmed to achieve maximum lighting quality and reduced energy consumption.
Motion sensor: By detecting movement, sensors can trigger scenes. It is possible to configure a presence scene, absence scene, linger and fade times.
Calendar & Timer: Scenes and animations to be turned on and turned off based on a certain time and date. The options are to either choose a certain weekday or several weekdays or a specific date.
Sunrise & Sunset: By setting a lighting network’s time zone and location in the app, Casambi units can calculate local sunrise/sunset times and adjust luminance levels or recall programmed lighting scenes accordingly.
Circadian control: A circadian profile shall define time‑based control curves over a 24‑hour cycle, with the horizontal axis representing time of day and the vertical axis representing control parameters. Circadian profiles shall allow control of colour temperature, dimming level, or both simultaneously for tuneable white luminaires.
Control Hierarchy: This involves coordination between manual lighting controls (such as apps, switches, and push buttons) and automated controls (such as presence sensors and timers) to establish overrides and determine lighting control priorities.
Gateway: You can activate gateway functionality to allow remote access for support, simplifying maintenance and troubleshooting tasks. A gateway connects to your Casambi lighting network through the internet.
Network history: Backups and snapshots store duplicates of the network program. Snapshots are generated and saved automatically, while backups require manual creation and storage.
Integration with DALI
DALI Gateway
A CBU-DCS-LR from Casambi or an equivalent device from the Casambi Ecosystem can be used to act as a gateway between a wired DALI network (controlled by DALI controller hardware and software) and a wireless Casambi network. To ensure proper connectivity, you must apply the CBU-DCS-LR DALI Gateway profile before connecting it to the same powered DALI bus as the DALI controller.
Any device that exists in the Casambi network will then appear as standard DALI gear to the wired DALI controller software. Each Casambi device occupies one DALI address but the CBU-DCS-LR DALI gateway does not; instead, it appears transparent to the DALI controller software.
Casambi devices that control more than one channel appear as single-channel DALI gear to the DALI controller software, therefore the separate channels cannot be dimmed individually by the DALI controller software, only by the Casambi app.
Casambi devices which use TW, RGB or XY controls are presented to the DALI controller software as DALI or DALI DT8 (Tc/RGB/XY) devices.
All Casambi luminaires can be addressed by the DALI controller software, regardless of what type of Casambi device they are. i.e. the Casambi device does not need to be a DALI-controllable device.
A CBU-DCS-LR DALI Gateway enables 64 input devices to be addressed according to the DALI standard, but only 80 DALI-2 “instances” can be processed by the DALI Gateway. This means that the amount of input devices possible in the Casambi network may be limited depending on the number of instances the devices use. If you wish to control more than 64 devices or 80 DALI-2 instances you should create multiple Casambi networks with a CBU-DCS-LR DALI gateway in each.

Salvador
Similar to the CBU-DCS-LR, Salvador enables the extension of existing DALI networks and creation of hybrid networks that consist of both Casambi ready and DALI devices. The main difference is that with Salvador, all DALI luminaires are programmed and controlled like normal Casambi ready devices via the Casambi App. This gives the possibility to incorporate Casambi’s user-friendly user interface into wired DALI installations. All DALI luminaires that are connected to the Salvador appear the same way as Casambi devices on the Casambi App, and can be individually programmed and controlled.
Salvador allows programming and control of up to 64 DALI luminaires individually from the Casambi App. Multiple Salvadors that are controlling DALI luminaires can also be wirelessly connected to form a single Casambi mesh network. One Casambi network can allow up to 250 nodes, regardless of whether they are DALI or Casambi ready. For example, three Salvadors that each control 64 DALI luminaires can be connected together, forming a single Casambi mesh network. (64 nodes + 1 Salvador = 65 nodes each x 3 = 195 nodes).

There are four versions of Salvador:
- Salvador Series1000 DALI Controller requires an external power supply for the DALI bus.
- Salvador Series 2000 DALI Controller comes with integrated power supply and an internal real-time clock.
- Salvador Series 3000 DALI Controller comes with integrated 32 mA bus power supply.
- Salvador Series 4000 DALI Controller comes with integrated power supply and an internal real-time clock.
Salvador Series 3000 and 4000 DALI Controller are is exclusively for US and Canada market.
Salvador provides an easy and cost-effective way to connect a DALI system to the Cloud and integrate with other systems using the Casambi Cloud Gateway and Casambi API.

Data with Casambi
Cloud gateway
By using a gateway, it is possible to access and control Casambi networks remotely or interface Building Management Systems and other third-party services (via a Cloud API). It also allows for network monitoring. There are several gateway options from Casambi and the Casambi Ecosystem:
- Casambi Cloud Gateway: The Casambi Cloud Gateway is a device enabling users to control and receive data from their network remotely over the internet. The device has Ethernet and Wi-Fi connections available for the internet. It should be powered and within Bluetooth range of the network for which it is acting as a gateway.
- Smartphone or tablet: A device that is permanently powered can also be configured to be used as a cloud gateway from the Casambi app. It must be within Bluetooth range of the network for which it is acting as a gateway, and have an internet connection. The Casambi app must be continuously activated.
There are different gateway options available from the Casambi Ecosystem, including gateways that can be connected to local computers via an Ethernet or USB connection. Such solutions are especially suitable for occasions where the sharing of data to the Cloud is not desired. All data communication is kept locally inside the premises.
Casambi API - interfacing 3rd party systems and solutions
An API (Application Programming Interface) is a set of routines, protocols, and tools to enable custom software applications to be built. Casambi’s API allows developers to connect to a Casambi system. It specifies the “building blocks” and defines what interactions are permitted. A software programmer can use the API building blocks to develop custom software applications, such as different user interfaces.
Casambi API provides 2 sets of software tools for developers:
- REST API: for requesting “static” network information
- WebSocket service: for real-time monitoring & control
D4i data extraction
D4i is an extension of the DALI-2 certification program. D4i LED drivers have a mandatory set of features related to power supply requirements and smart-data capabilities. Such drivers inside the luminaire have the capability to store and report a wide range of luminaire, energy and diagnostics data in a standardized format; which can then be used for performance monitoring, asset management, predictive maintenance and many other tasks.
In a Casambi network, D4i data can be extracted and communicated for monitoring and management purposes.
Wireless Emergency Lighting
There are several wireless emergency lighting solutions based on Casambi technology. These systems support DALI DT1 standard devices, meaning reliable interoperability with DALI self-contained emergency control gear, and enable wireless communication without the need for additional hardware or traditional DALI wiring. Emergency devices are easily paired using the Casambi App, allowing for an easy wireless upgrade for existing luminaires without a change of layout. Users can easily view the luminaires’ signal strength and identify emergency devices from within the Casambi App.
These solutions provide automatic testing of individual luminaires, standard-compliant logs that available to download or access from cloud, and central monitoring via iPad or PC-based graphical user interfaces.
For more information on the wireless emergency systems based on Casambi technology, please refer to the Ecosystem section inside Casambi website.
Single-line diagram for a typical office application

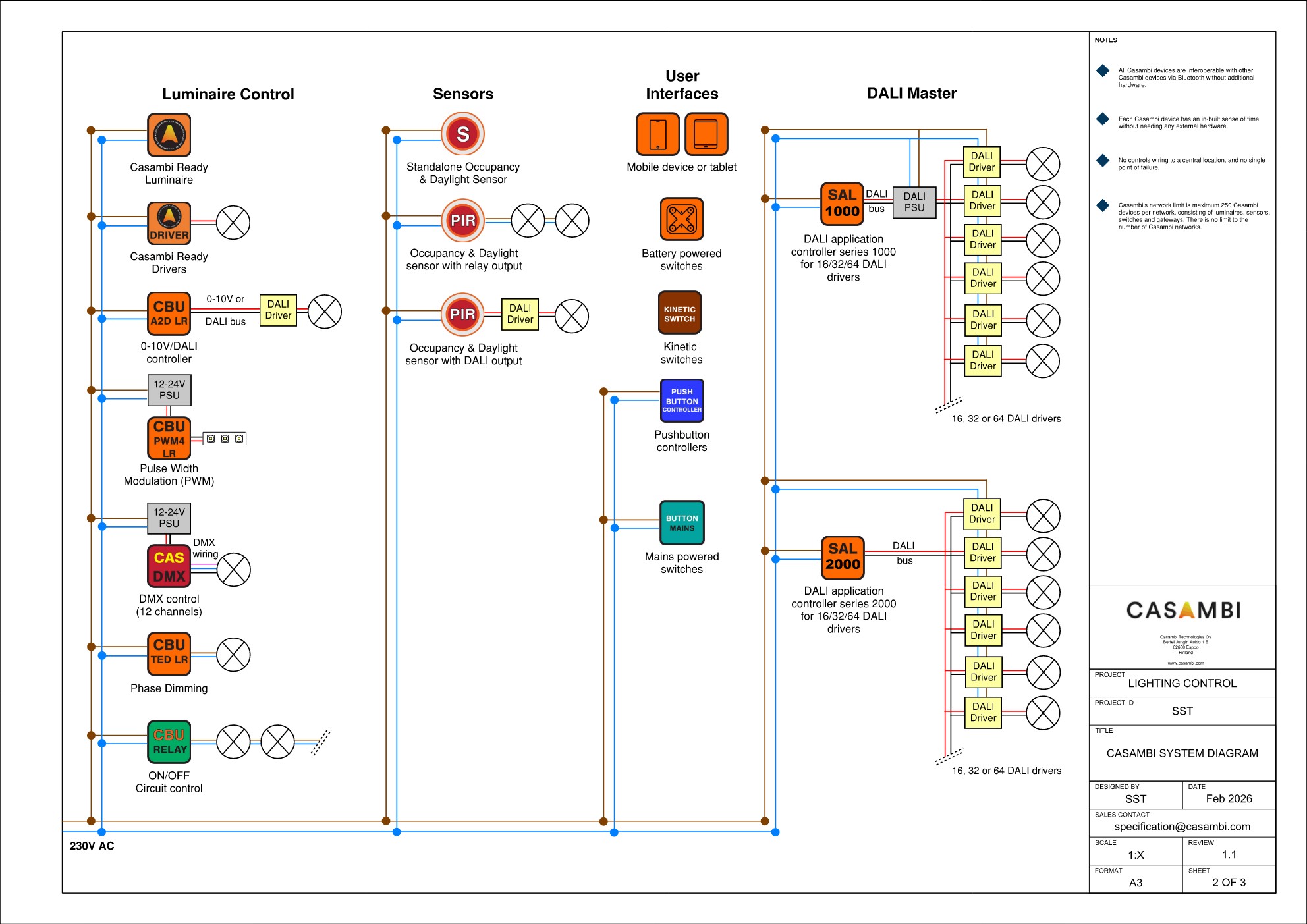
Casambi System Diagram

















